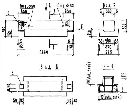
РДП 4.27 ригели

Чертеж изделия:
Характеристики изделия:
ПараметрЗначение
длина2660 мм
ширина565 мм
высота450 мм
масса1180 кг
нормативный документСерия 1.020-1/83

РДП 4.27  Ригели с двумя симметричными полками для опоры многопустотных плит покрытия Серия 1.020-1/83.