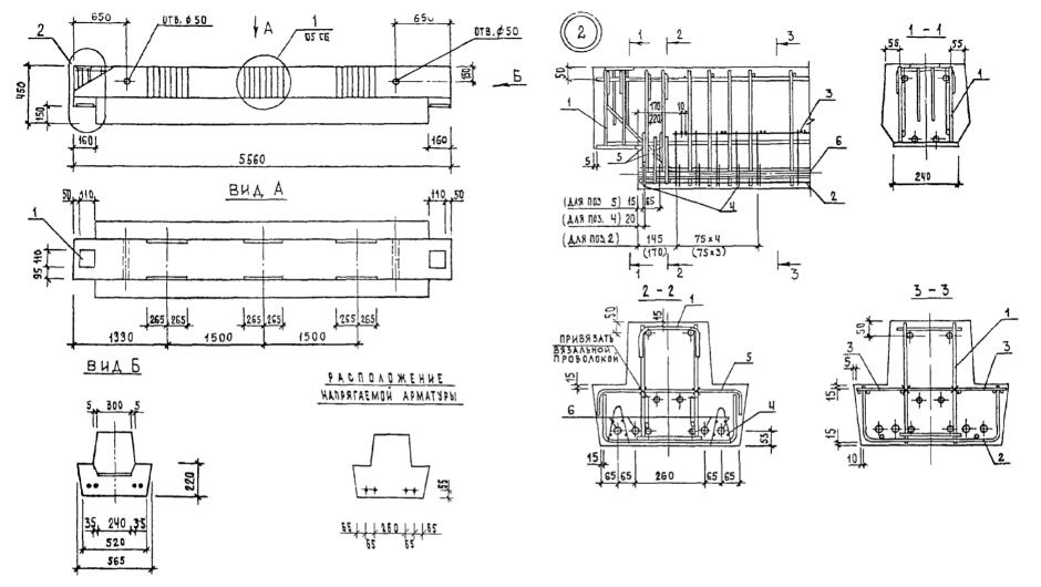
РДП 4.57 ригели

Чертеж изделия:
Характеристики изделия:
ПараметрЗначение
длина5660 мм
ширина565 мм
высота450 мм
масса2600 кг
нормативный документСерия 1.020-1/83

РДП 4.57  Ригели с двумя симметричными полками для опоры многопустотных плит покрытия Серия 1.020-1/83.