ЛП 15-6
Характеристики изделия:
| Параметр | Значение |
|---|---|
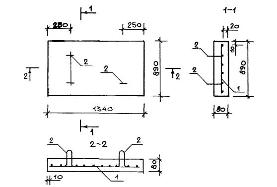
| длина | 1340 мм |
| ширина | 890 мм |
| высота | 80 мм |
| масса | 250 кг |
| нормативный документ | Серия 1.050.9-4.93 |
Цена:
Рассчитать стоимостьЛП 15-6 Площадочные плиты Серия 1.050.9-4.93.
| Параметр | Значение |
|---|---|
| длина | 1340 мм |
| ширина | 890 мм |
| высота | 80 мм |
| масса | 250 кг |
| нормативный документ | Серия 1.050.9-4.93 |
ЛП 15-6 Площадочные плиты Серия 1.050.9-4.93.