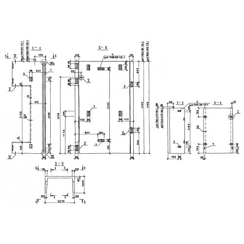
БШЛ 100-36 блок шахты лифта основной

Чертеж изделия:
Характеристики изделия:
ПараметрЗначение
длина2270 мм
ширина1300 мм
высота3580 мм
масса4650 кг
нормативный документСерия 1.089.1-1

БШЛ 100-36 Блоки шахт лифтов Серия 1.089.1-1.