Б 49

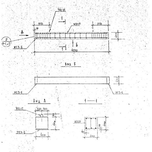
Чертеж изделия:
Характеристики изделия:
ПараметрЗначение
длина4850 мм
ширина400 мм
высота400 мм
вес1950 кг
серия1.125 КЛ-3

Б 49 Балки по серии 1.125 КЛ-3.