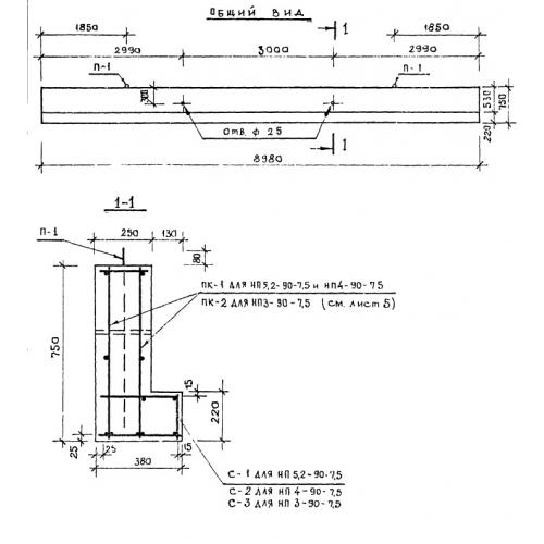
НП 90-7.5

Чертеж изделия:
Характеристики изделия:
ПараметрЗначение
длина8980 мм
ширина380 мм
высота750 мм
вес4850 кг
серия1.225-1

НП 90-4.5 Прогоны по серии 1.225-1.