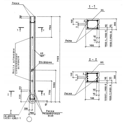
1К 66 колонны

Чертеж изделия:
Характеристики изделия:
ПараметрЗначение
длина7400 мм
ширина300 мм
высота400 мм
масса2200 кг
нормативный документСерия 1.423.1-3/88

1К 66 Колонны Серия 1.423.1-3/88.