2К 138 колонны

Чертеж изделия:
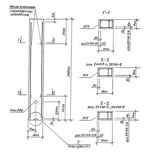
Характеристики изделия:
ПараметрЗначение
длина14850 мм
ширина800 мм
высота400 мм
масса11900 кг
нормативный документСерия 1.423.1-5/88

2К 138 Колонны  Серия 1.423.1-5/88.