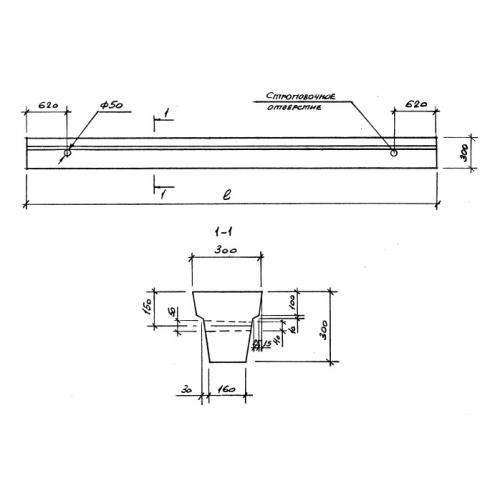
2БФ 1.5

Чертеж изделия:
Характеристики изделия:
ПараметрЗначение
длина1450 мм
ширина300 мм
высота300 мм
вес250 кг
серия1.815.1-1

2БФ 1.5 Балки фундаментные по серии 1.815.1-1.