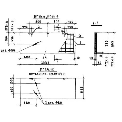
ПГ 24.6

Чертеж изделия:
Характеристики изделия:
ПараметрЗначение
длина2385 мм
ширина80 мм
высота585 мм
вес280 кг
серия1.831.9-3

ПГ 24.6 Панели перегородок по серии 1.831.9-3.