ОП 4-5

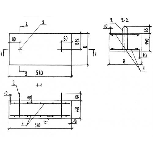
Чертеж изделия:
Характеристики изделия:
ПараметрЗначение
длина510 мм
ширина380 мм
высота140 мм
масса68 кг
нормативный документСерия 1.869.1-1

ОП 4-5  Железобетоные опорные подушки Серия 1.869.1-1.