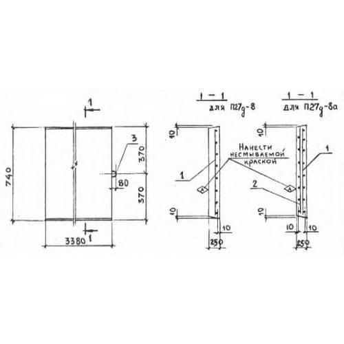
П 27д

Чертеж изделия:
Характеристики изделия:
ПараметрЗначение
длина740 мм
ширина3380 мм
высота250 мм
вес1560 кг
серия3.006-2

П 27д Плиты перекрытия лотков доборные по серии 3.006-2.