П 20

Чертеж изделия:
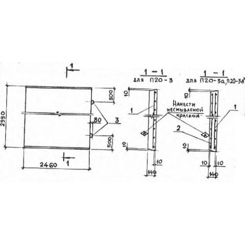
Характеристики изделия:
ПараметрЗначение
длина2990 мм
ширина2460 мм
высота140 мм
масса2570 кг
нормативный документСерия 3.006.1-2/82

П 20  Плиты перекрытия лотков Серия 3.006.1-2/82.