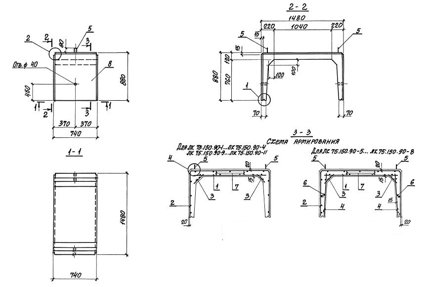
ЛК 75.150.90 лотки

Чертеж изделия:
Характеристики изделия:
ПараметрЗначение
длина740 мм
ширина1480 мм
высота880 мм
масса630 кг
нормативный документСерия 3.006.1-8

ЛК 75.150.90 Лотки каналов Серия 3.006.1-8.