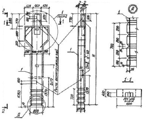
К 6.2-2-1

Чертеж изделия:
Характеристики изделия:
ПараметрЗначение
Длина5720 мм
Ширина800 мм
Высота450 мм
Масса5500 кг
Нормативный документСерия 3.702.1-4

К 6.2-2-1   Колонна по Серии 3.702.1-4.