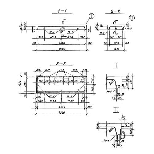
НБК-4.0

Чертеж изделия:
Характеристики изделия:
ПараметрЗначение
длина4320 мм
ширина1430 мм
высота400 мм
масса32000 кг
нормативный документСерия 3.903 КЛ-13

НБК-4.0 Нижние блоки камер по Серии 3.903 КЛ-13.