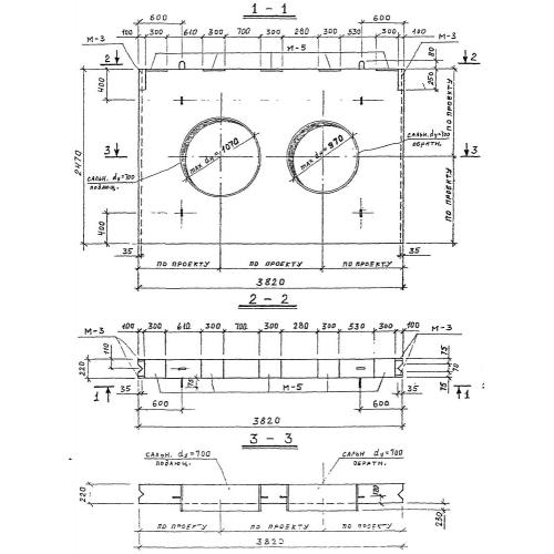
ПС-5

Чертеж изделия:
Характеристики изделия:
ПараметрЗначение
длина3820 мм
ширина220 мм
высота2470 мм
масса4280 кг
нормативный документСерия 3.903 КЛ-13

ПС-5  Панели стеновые по Серии 3.903 КЛ-13.