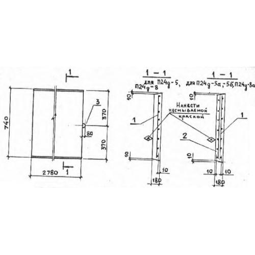
П 24д

Чертеж изделия:
Характеристики изделия:
ПараметрЗначение
длина2100 мм
ширина590 мм
высота160 мм
вес500 кг
серияХТР 1-1

П 24д Плиты перекрытий по серии ХТР 1-1.