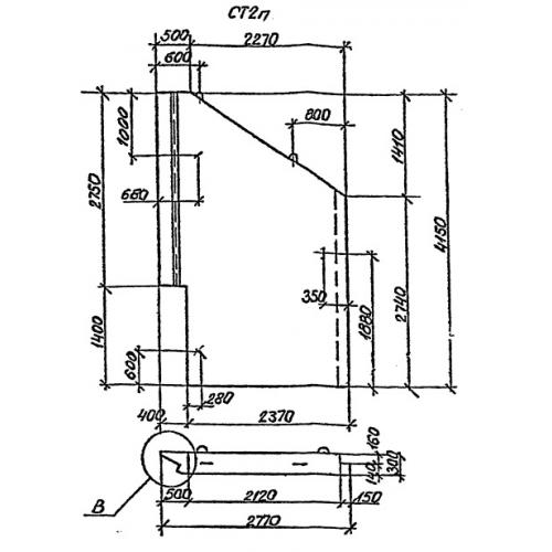
СТ 2
Характеристики изделия:
| Параметр | Значение |
|---|---|
| длина | 2770 мм |
| ширина | 300 мм |
| высота | 4150 мм |
| масса | 6500 кг |
| нормативный документ | Шифр 2175РЧ |
Цена:
Рассчитать стоимостьСТ 2 Стенки откосные по Шифру 2175РЧ.
| Параметр | Значение |
|---|---|
| длина | 2770 мм |
| ширина | 300 мм |
| высота | 4150 мм |
| масса | 6500 кг |
| нормативный документ | Шифр 2175РЧ |
СТ 2 Стенки откосные по Шифру 2175РЧ.
