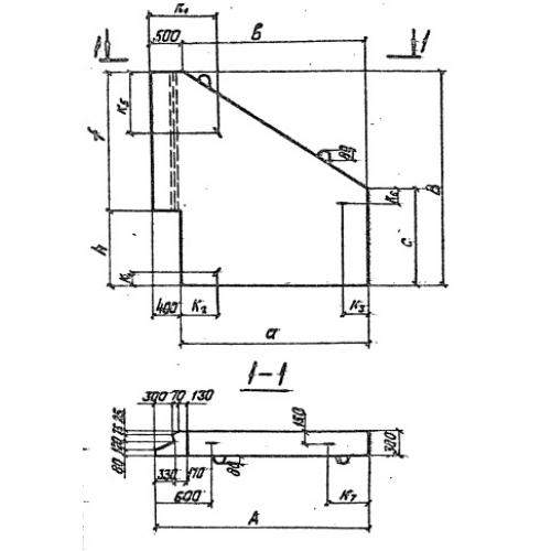
СТ 5

Чертеж изделия:
Характеристики изделия:
ПараметрЗначение
длина1850 мм
ширина300 мм
высота2770 мм
масса2200 кг
нормативный документШифр 2175РЧ

СТ 5  Стенки откосные по Шифру 2175РЧ.